PGS-XYT.png
PGS-XYT系列

PGS-XYT

动态性能优秀、快速运动及整定、纳米级静态抖动

参数

电机参数上轴T轴
电机型号AUM4-P5-S4-K-NH-3.0-NFB-V201AUM4-P5-S6-K-NH-3.0-NFB-V201ACW170-52-P-J7-H9D-3.0-FB-RT-11800-1000X-P5-Z17

持续推力(自冷)@100℃①

持续z(自冷)@100℃[T轴]①

284 N331 N2.8 Nm

峰值推力

峰值转矩[T轴]

1605 N1872 N9.7 Nm

力常数 ±10%

转矩常数 ±10%[T轴]

30.9 N/Arms36 N/Arms0.056 Vpeak/rpm
反电势常数 ±10%25.2 Vpeak/(m/s)29.4 Vpeak/(m/s)0.056 Vpeak/rpm
相间电阻@25°C ±10%1.22 Ω1.75 Ω2.76 Ω

相间电感 ±20%

0.96 mH1.44 mH1.65 mH
持续电流(自冷) @100°C9.2 Arms9.2 Arms4.2 Arms
峰值电流53 Arms52 Arms14.7 Arms
最高母线电压330 Vdc330 Vdc330 Vdc
电磁周期60 mm60 mm16 2P
机械参数上轴T
有效行程360 mm370 mm360 mm 连续 
双向重复定位精度±0.3 μm±0.3 μm±1 arcsec
定位精度 (补偿后)±0.5 μm±0.5 μm±2 μm
平面度5 μm5 μm-
直线度7.5 μm7.5 μm-
俯仰15 arcsec10 arcsec-
俯仰重复精度±0.5 arcsec±0.5 arcsec-
偏摆10 arcsec10 arcsec-
偏摆重复精度±0.5 arcsec±0.5 arcsec-
正交
±5 arcsec±5 arcsec-
径向跳动--±5 μm
典型位置稳定性±2 nm±2 nm±0.007 arcsec
最大加速度10 m/s²10 m/s²4000 deg/s²
最大速度1 m/s²m/s²600 deg/s²
额定负载2.5 kg2.5 kg2.5 kg

注:

①测量时环境温度为25ºC,取决于散热环境。

②电阻测量采用直流电流,含0.5米标准线缆。

③电感测量频率1kHz,AUM系列电感浮动范围较大为±40%是因为三相电感不同,样册标定数值为最大值与最小值的平均值,对于每一相电感,浮动范围为±20%。

④下轴为双电机并联。

⑤行程可达450mm。

⑥ISO 230 -2

⑦3 sigma,采样时长2s,采样频率2kHz;T轴位置稳定性可达±0.003arcsec,详情请联系cust-service@akribis-sys.cn。

★不含卡盘。

★相关参数规格如有变动,恕不另行通知。




产品特性

  • 01

    堆叠XYT平台

    堆叠XYT平台

  • 02

    高精度,高刚性,快速运动整定

    高精度,高刚性,快速运动整定

  • 03

    静态抖动小

    静态抖动小

  • 04

    圆晶平台

    圆晶平台

  • 05

    无齿槽力

    无齿槽力

  • 06

    真空适用版本

    真空适用版本

图表

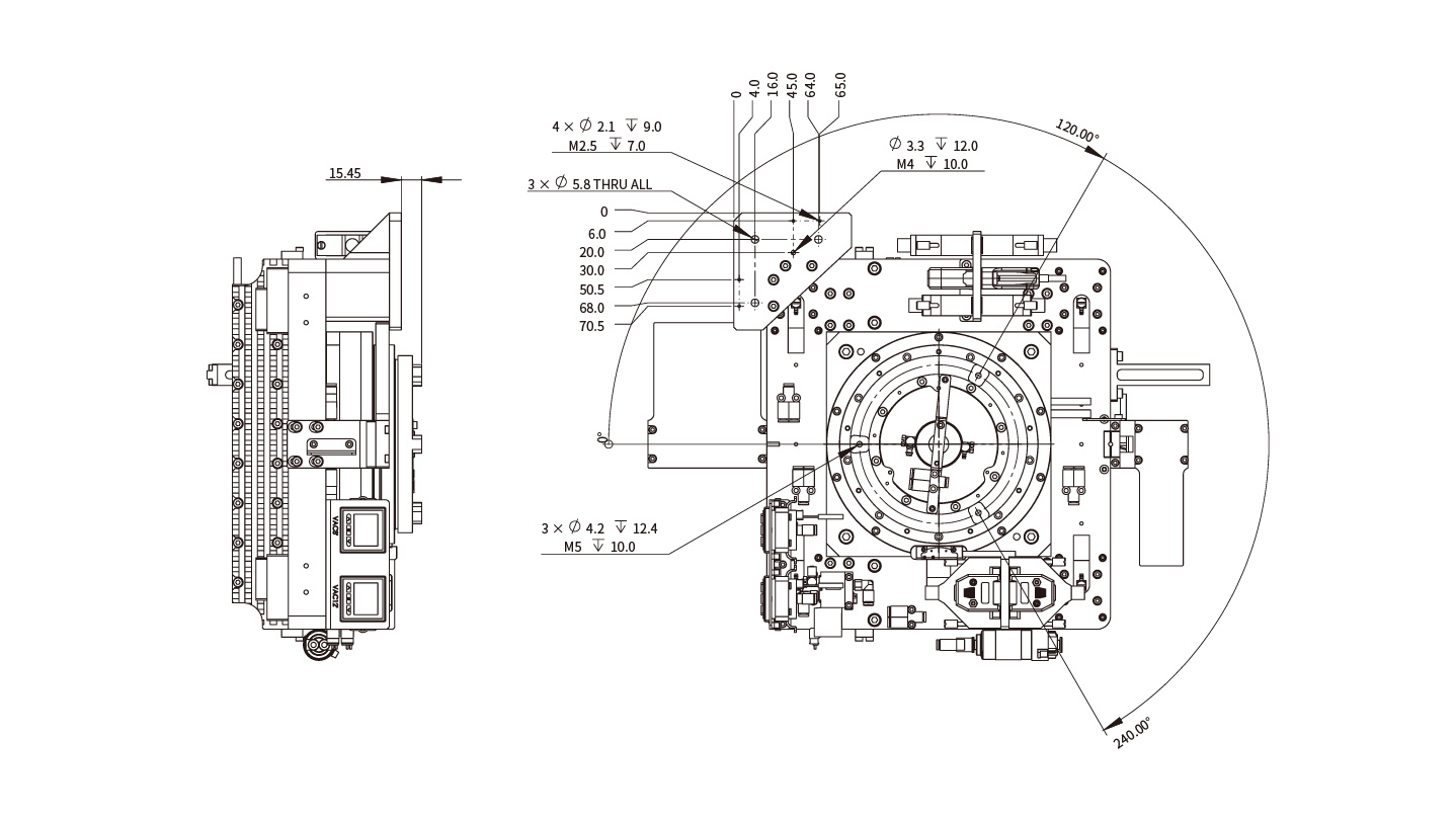
PGS-XYT 外形尺寸图

PGS-XYT 外形尺寸图

PGS-XYT 外形尺寸图

PGS-XYT 外形尺寸图

PGS-XYT 行程尺寸图

PGS-XYT 行程尺寸图

PGS-XYT Z轴机械接口图

PGS-XYT Z轴机械接口图

PGS-XYT T轴机械接口图

PGS-XYT T轴机械接口图

订购规则

  • PGS-XYT

    PGS-XYT

想进一步了解Akribis的技术?

如果您想要了解更多关于Akribis的产品、应用、品牌信息,请联系我们!

立即留言

TOP

请输入您要查找的信息

相关内容推荐

权限申请

Send a message

Your information is being protected.

Send a message

Your information is being protected.