参数
| 性能参数 | H | 单位 |
|---|---|---|
| 持续推力(自冷)@100℃① | 1646 | N |
| 峰值推力 | 3600 | N |
| 力常数±10% | 130 | N/Arms |
| 反电势常数±10% | 106.5 | Vpeak/(m/s) |
| 电机常数@25°C | 56.7 | N/Sqrt(W) |
| 相间电阻@25°C ±10%② | 3.5 | Ω |
| 相间电感 ±30%③ | 15.5 | mH |
| 电气时间常数 | 4.4 | ms |
| 持续电流(自冷) @100°C① | 12.6 | Arms |
| 峰值电流 | 37.1 | Arms |
| 持续热功率(自冷) @100°C | 1084 | W |
| 最高线圈温度 | 100 | ℃ |
| 热耗散常数(自冷)① | 14.5 | W/℃ |
| 最高母线电压 | 600 | Vdc |
| 电磁周期 | 27 | mm |
| 磁吸力 | 6.4 | kN |
| 机械参数 | H | 单位 |
| 线圈质量(自冷) | 7.3 | kg |
| 线圈长度(自冷) | 263 | mm |
| 磁轨质量(每米) | 19 | kg/m |
| 其他信息 | ||
| 绝缘等级 | B级绝缘 (130ºC) | |
| 防护等级 | IP00 | |
| 符合国际标准 | RoHS,CE,UL(option) | |
| 环境温度(工作温度) | 0ºC 至 40ºC (无结冰) | |
| 环境温度(储藏温度) | -15ºC 至 70ºC (无结冰) | |
| 环境湿度(工作湿度) | 相对湿度10% 至 80% (无冷凝) | |
| 环境湿度(储藏湿度) | 相对湿度10%至 90% (无冷凝) | |
| 推荐工作环境 | 室内 (无阳光直射); 无腐蚀性气体、易燃气体、油雾或粉尘 | |
注:
①测量室温25℃,取决于散热环境。
②电阻测量采用直流电流,含0.5m标准线缆。
③电感测量频率1 kHz。
★相关参数规格如有变动,恕不另行通知。
图表
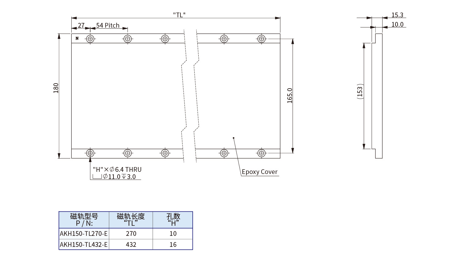
AKH150-W-H-B2 尺寸图
AKH150-W-H-B2 330V 曲线图
AKH150-W-H-B2 600V 曲线图
AKH150 磁轨
订购规则
-
AKH150 线圈
-
AKH150 磁轨
TOP
我们重视您的隐私
我们使用 cookie 来个性化和增强您在我们网站上的浏览体验。点击“接受所有 Cookie”,即表示您同意使用 Cookie。您可以阅读我们的Cookie 政策以了解更多信息。
基本
文件
流程
错误
SQL
调试
- 请求信息 : 2025-11-20 18:17:37 HTTP/1.1 GET : https://www.akribis-sys.cn/product-akh-series/117.html
- 运行时间 : 0.474760s [ 吞吐率:2.11req/s ] 内存消耗:6,762.05kb 文件加载:230
- 查询信息 : 0 queries
- 缓存信息 : 1107 reads,156 writes
- 会话信息 : SESSION_ID=cb77a2865be5a5aae34fa33813a22d4b
- /www/wwwroot/ykbs.com/public/index.php ( 1.90 KB )
- /www/wwwroot/ykbs.com/vendor/autoload.php ( 0.78 KB )
- /www/wwwroot/ykbs.com/vendor/composer/autoload_real.php ( 1.68 KB )
- /www/wwwroot/ykbs.com/vendor/composer/platform_check.php ( 0.93 KB )
- /www/wwwroot/ykbs.com/vendor/composer/ClassLoader.php ( 16.56 KB )
- /www/wwwroot/ykbs.com/vendor/composer/autoload_static.php ( 12.14 KB )
- /www/wwwroot/ykbs.com/vendor/topthink/think-helper/src/helper.php ( 8.64 KB )
- /www/wwwroot/ykbs.com/vendor/topthink/think-orm/stubs/load_stubs.php ( 0.17 KB )
- /www/wwwroot/ykbs.com/vendor/topthink/framework/src/think/Exception.php ( 1.75 KB )
- /www/wwwroot/ykbs.com/vendor/topthink/framework/src/think/Facade.php ( 2.80 KB )
- /www/wwwroot/ykbs.com/vendor/ralouphie/getallheaders/src/getallheaders.php ( 1.65 KB )
- /www/wwwroot/ykbs.com/vendor/symfony/polyfill-mbstring/bootstrap.php ( 8.43 KB )
- /www/wwwroot/ykbs.com/vendor/symfony/polyfill-php80/bootstrap.php ( 1.54 KB )
- /www/wwwroot/ykbs.com/vendor/symfony/deprecation-contracts/function.php ( 1.01 KB )
- /www/wwwroot/ykbs.com/vendor/symfony/polyfill-ctype/bootstrap.php ( 1.61 KB )
- /www/wwwroot/ykbs.com/vendor/ezyang/htmlpurifier/library/HTMLPurifier.composer.php ( 0.10 KB )
- /www/wwwroot/ykbs.com/vendor/guzzlehttp/guzzle/src/functions_include.php ( 0.16 KB )
- /www/wwwroot/ykbs.com/vendor/guzzlehttp/guzzle/src/functions.php ( 5.72 KB )
- /www/wwwroot/ykbs.com/vendor/ramsey/uuid/src/functions.php ( 2.39 KB )
- /www/wwwroot/ykbs.com/vendor/isszz/think-blade/src/helper.php ( 0.01 KB )
- /www/wwwroot/ykbs.com/vendor/isszz/think-blade/src/Support/helpers.php ( 2.67 KB )
- /www/wwwroot/ykbs.com/vendor/overtrue/pinyin/src/const.php ( 0.50 KB )
- /www/wwwroot/ykbs.com/vendor/symfony/var-dumper/Resources/functions/dump.php ( 0.83 KB )
- /www/wwwroot/ykbs.com/vendor/tinify/tinify/lib/Tinify.php ( 2.16 KB )
- /www/wwwroot/ykbs.com/vendor/tinify/tinify/lib/Tinify/Exception.php ( 1.11 KB )
- /www/wwwroot/ykbs.com/vendor/topthink/think-captcha/src/helper.php ( 1.42 KB )
- /www/wwwroot/ykbs.com/extend/360_safe/WebScan.php ( 12.11 KB )
- /www/wwwroot/ykbs.com/extend/360_safe/webscan_cache.php ( 1.14 KB )
- /www/wwwroot/ykbs.com/vendor/topthink/framework/src/think/App.php ( 14.77 KB )
- /www/wwwroot/ykbs.com/vendor/topthink/framework/src/think/Container.php ( 15.93 KB )
- /www/wwwroot/ykbs.com/vendor/psr/container/src/ContainerInterface.php ( 1.05 KB )
- /www/wwwroot/ykbs.com/app/provider.php ( 0.24 KB )
- /www/wwwroot/ykbs.com/vendor/topthink/framework/src/think/Http.php ( 6.40 KB )
- /www/wwwroot/ykbs.com/vendor/topthink/think-helper/src/helper/Str.php ( 7.51 KB )
- /www/wwwroot/ykbs.com/vendor/topthink/framework/src/think/Env.php ( 4.83 KB )
- /www/wwwroot/ykbs.com/app/common.php ( 37.94 KB )
- /www/wwwroot/ykbs.com/app/cms/function.php ( 65.88 KB )
- /www/wwwroot/ykbs.com/vendor/topthink/framework/src/helper.php ( 19.09 KB )
- /www/wwwroot/ykbs.com/vendor/topthink/framework/src/think/Config.php ( 5.23 KB )
- /www/wwwroot/ykbs.com/config/app.php ( 2.12 KB )
- /www/wwwroot/ykbs.com/vendor/topthink/framework/src/think/facade/Env.php ( 1.72 KB )
- /www/wwwroot/ykbs.com/config/auth.php ( 0.64 KB )
- /www/wwwroot/ykbs.com/config/backup.php ( 0.38 KB )
- /www/wwwroot/ykbs.com/config/cache.php ( 0.83 KB )
- /www/wwwroot/ykbs.com/config/captcha.php ( 1.06 KB )
- /www/wwwroot/ykbs.com/config/console.php ( 0.24 KB )
- /www/wwwroot/ykbs.com/config/cookie.php ( 0.58 KB )
- /www/wwwroot/ykbs.com/config/database.php ( 2.32 KB )
- /www/wwwroot/ykbs.com/config/filesystem.php ( 0.66 KB )
- /www/wwwroot/ykbs.com/config/lang.php ( 1.07 KB )
- /www/wwwroot/ykbs.com/config/log.php ( 1.41 KB )
- /www/wwwroot/ykbs.com/config/middleware.php ( 0.20 KB )
- /www/wwwroot/ykbs.com/config/route.php ( 1.58 KB )
- /www/wwwroot/ykbs.com/config/session.php ( 0.58 KB )
- /www/wwwroot/ykbs.com/config/token.php ( 1.49 KB )
- /www/wwwroot/ykbs.com/config/trace.php ( 0.35 KB )
- /www/wwwroot/ykbs.com/config/view.php ( 1.37 KB )
- /www/wwwroot/ykbs.com/vendor/topthink/framework/src/think/facade/Config.php ( 1.41 KB )
- /www/wwwroot/ykbs.com/app/event.php ( 0.27 KB )
- /www/wwwroot/ykbs.com/vendor/topthink/framework/src/think/Event.php ( 7.22 KB )
- /www/wwwroot/ykbs.com/app/service.php ( 0.14 KB )
- /www/wwwroot/ykbs.com/app/AppService.php ( 0.28 KB )
- /www/wwwroot/ykbs.com/vendor/topthink/framework/src/think/Service.php ( 1.74 KB )
- /www/wwwroot/ykbs.com/vendor/topthink/framework/src/think/Lang.php ( 7.88 KB )
- /www/wwwroot/ykbs.com/vendor/topthink/framework/src/lang/zh-cn.php ( 13.02 KB )
- /www/wwwroot/ykbs.com/vendor/topthink/framework/src/think/initializer/Error.php ( 3.39 KB )
- /www/wwwroot/ykbs.com/vendor/topthink/framework/src/think/initializer/RegisterService.php ( 1.38 KB )
- /www/wwwroot/ykbs.com/vendor/services.php ( 0.22 KB )
- /www/wwwroot/ykbs.com/vendor/topthink/framework/src/think/service/PaginatorService.php ( 1.57 KB )
- /www/wwwroot/ykbs.com/vendor/topthink/framework/src/think/service/ValidateService.php ( 1.02 KB )
- /www/wwwroot/ykbs.com/vendor/topthink/framework/src/think/service/ModelService.php ( 1.81 KB )
- /www/wwwroot/ykbs.com/vendor/topthink/think-captcha/src/CaptchaService.php ( 0.54 KB )
- /www/wwwroot/ykbs.com/vendor/topthink/think-multi-app/src/Service.php ( 1.08 KB )
- /www/wwwroot/ykbs.com/vendor/topthink/think-trace/src/Service.php ( 0.79 KB )
- /www/wwwroot/ykbs.com/vendor/topthink/framework/src/think/Middleware.php ( 7.03 KB )
- /www/wwwroot/ykbs.com/vendor/topthink/framework/src/think/initializer/BootService.php ( 0.80 KB )
- /www/wwwroot/ykbs.com/vendor/topthink/think-orm/src/Paginator.php ( 12.33 KB )
- /www/wwwroot/ykbs.com/vendor/topthink/framework/src/think/Validate.php ( 47.75 KB )
- /www/wwwroot/ykbs.com/vendor/topthink/think-orm/src/Model.php ( 26.74 KB )
- /www/wwwroot/ykbs.com/vendor/topthink/think-helper/src/contract/Arrayable.php ( 0.10 KB )
- /www/wwwroot/ykbs.com/vendor/topthink/think-helper/src/contract/Jsonable.php ( 0.14 KB )
- /www/wwwroot/ykbs.com/vendor/topthink/think-orm/src/model/concern/Attribute.php ( 18.27 KB )
- /www/wwwroot/ykbs.com/vendor/topthink/think-orm/src/model/concern/RelationShip.php ( 26.94 KB )
- /www/wwwroot/ykbs.com/vendor/topthink/think-orm/src/model/concern/ModelEvent.php ( 2.35 KB )
- /www/wwwroot/ykbs.com/vendor/topthink/think-orm/src/model/concern/TimeStamp.php ( 5.92 KB )
- /www/wwwroot/ykbs.com/vendor/topthink/think-orm/src/model/concern/Conversion.php ( 10.78 KB )
- /www/wwwroot/ykbs.com/vendor/topthink/framework/src/think/Db.php ( 2.99 KB )
- /www/wwwroot/ykbs.com/vendor/topthink/think-orm/src/DbManager.php ( 8.65 KB )
- /www/wwwroot/ykbs.com/vendor/topthink/framework/src/think/Log.php ( 8.83 KB )
- /www/wwwroot/ykbs.com/vendor/topthink/framework/src/think/Manager.php ( 4.16 KB )
- /www/wwwroot/ykbs.com/vendor/psr/log/Psr/Log/LoggerInterface.php ( 3.16 KB )
- /www/wwwroot/ykbs.com/vendor/topthink/framework/src/think/Cache.php ( 4.99 KB )
- /www/wwwroot/ykbs.com/vendor/psr/simple-cache/src/CacheInterface.php ( 4.61 KB )
- /www/wwwroot/ykbs.com/vendor/topthink/think-helper/src/helper/Arr.php ( 16.72 KB )
- /www/wwwroot/ykbs.com/vendor/topthink/framework/src/think/cache/driver/File.php ( 7.71 KB )
- /www/wwwroot/ykbs.com/vendor/topthink/framework/src/think/cache/Driver.php ( 8.41 KB )
- /www/wwwroot/ykbs.com/vendor/topthink/framework/src/think/contract/CacheHandlerInterface.php ( 2.34 KB )
- /www/wwwroot/ykbs.com/vendor/topthink/framework/src/think/Console.php ( 23.42 KB )
- /www/wwwroot/ykbs.com/app/Request.php ( 0.10 KB )
- /www/wwwroot/ykbs.com/vendor/topthink/framework/src/think/Request.php ( 56.17 KB )
- /www/wwwroot/ykbs.com/app/middleware.php ( 0.41 KB )
- /www/wwwroot/ykbs.com/vendor/topthink/framework/src/think/Pipeline.php ( 2.71 KB )
- /www/wwwroot/ykbs.com/vendor/topthink/think-trace/src/TraceDebug.php ( 3.05 KB )
- /www/wwwroot/ykbs.com/vendor/topthink/framework/src/think/middleware/LoadLangPack.php ( 3.64 KB )
- /www/wwwroot/ykbs.com/vendor/topthink/framework/src/think/Cookie.php ( 6.51 KB )
- /www/wwwroot/ykbs.com/vendor/topthink/framework/src/think/middleware/SessionInit.php ( 2.13 KB )
- /www/wwwroot/ykbs.com/vendor/topthink/framework/src/think/Session.php ( 1.87 KB )
- /www/wwwroot/ykbs.com/vendor/topthink/framework/src/think/session/driver/File.php ( 6.52 KB )
- /www/wwwroot/ykbs.com/vendor/topthink/framework/src/think/contract/SessionHandlerInterface.php ( 0.89 KB )
- /www/wwwroot/ykbs.com/vendor/topthink/framework/src/think/session/Store.php ( 7.59 KB )
- /www/wwwroot/ykbs.com/vendor/topthink/think-multi-app/src/MultiApp.php ( 7.28 KB )
- /www/wwwroot/ykbs.com/app/cms/common.php ( 30.22 KB )
- /www/wwwroot/ykbs.com/app/cms/config/app.php ( 0.80 KB )
- /www/wwwroot/ykbs.com/app/cms/config/lang.php ( 0.38 KB )
- /www/wwwroot/ykbs.com/app/cms/config/view.php ( 1.55 KB )
- /www/wwwroot/ykbs.com/app/cms/provider.php ( 0.83 KB )
- /www/wwwroot/ykbs.com/app/cms/lang/zh-cn.php ( 1.85 KB )
- /www/wwwroot/ykbs.com/vendor/topthink/framework/src/think/Route.php ( 24.88 KB )
- /www/wwwroot/ykbs.com/vendor/topthink/framework/src/think/route/RuleName.php ( 5.54 KB )
- /www/wwwroot/ykbs.com/vendor/topthink/framework/src/think/route/Domain.php ( 5.74 KB )
- /www/wwwroot/ykbs.com/vendor/topthink/framework/src/think/route/RuleGroup.php ( 14.11 KB )
- /www/wwwroot/ykbs.com/vendor/topthink/framework/src/think/route/Rule.php ( 23.74 KB )
- /www/wwwroot/ykbs.com/vendor/topthink/framework/src/think/route/RuleItem.php ( 9.11 KB )
- /www/wwwroot/ykbs.com/app/cms/route/route.php ( 3.57 KB )
- /www/wwwroot/ykbs.com/vendor/topthink/framework/src/think/facade/Route.php ( 4.97 KB )
- /www/wwwroot/ykbs.com/vendor/topthink/framework/src/think/route/dispatch/Controller.php ( 6.80 KB )
- /www/wwwroot/ykbs.com/vendor/topthink/framework/src/think/route/Dispatch.php ( 6.74 KB )
- /www/wwwroot/ykbs.com/app/cms/controller/Index.php ( 15.66 KB )
- /www/wwwroot/ykbs.com/app/cms/controller/Base.php ( 3.75 KB )
- /www/wwwroot/ykbs.com/app/HomeController.php ( 1.92 KB )
- /www/wwwroot/ykbs.com/app/common/traits/Jump.php ( 4.42 KB )
- /www/wwwroot/ykbs.com/vendor/topthink/framework/src/think/facade/Cache.php ( 2.07 KB )
- /www/wwwroot/ykbs.com/app/model/system/WebUrlRedirect.php ( 1.69 KB )
- /www/wwwroot/ykbs.com/app/BaseModel.php ( 14.54 KB )
- /www/wwwroot/ykbs.com/vendor/topthink/think-orm/src/db/connector/Mysql.php ( 4.55 KB )
- /www/wwwroot/ykbs.com/vendor/topthink/think-orm/src/db/PDOConnection.php ( 54.32 KB )
- /www/wwwroot/ykbs.com/vendor/topthink/think-orm/src/db/Connection.php ( 8.01 KB )
- /www/wwwroot/ykbs.com/vendor/topthink/think-orm/src/db/ConnectionInterface.php ( 4.75 KB )
- /www/wwwroot/ykbs.com/vendor/topthink/think-orm/src/db/builder/Mysql.php ( 16.40 KB )
- /www/wwwroot/ykbs.com/vendor/topthink/think-orm/src/db/Builder.php ( 42.92 KB )
- /www/wwwroot/ykbs.com/vendor/topthink/think-orm/src/db/Query.php ( 11.08 KB )
- /www/wwwroot/ykbs.com/vendor/topthink/think-orm/src/db/BaseQuery.php ( 37.78 KB )
- /www/wwwroot/ykbs.com/vendor/topthink/think-orm/src/db/concern/TimeFieldQuery.php ( 7.71 KB )
- /www/wwwroot/ykbs.com/vendor/topthink/think-orm/src/db/concern/AggregateQuery.php ( 3.38 KB )
- /www/wwwroot/ykbs.com/vendor/topthink/think-orm/src/db/concern/ModelRelationQuery.php ( 16.61 KB )
- /www/wwwroot/ykbs.com/vendor/topthink/think-orm/src/db/concern/ResultOperation.php ( 6.51 KB )
- /www/wwwroot/ykbs.com/vendor/topthink/think-orm/src/db/concern/Transaction.php ( 2.97 KB )
- /www/wwwroot/ykbs.com/vendor/topthink/think-orm/src/db/concern/WhereQuery.php ( 16.74 KB )
- /www/wwwroot/ykbs.com/vendor/topthink/think-orm/src/db/concern/JoinAndViewQuery.php ( 7.08 KB )
- /www/wwwroot/ykbs.com/vendor/topthink/think-orm/src/db/concern/ParamsBind.php ( 3.49 KB )
- /www/wwwroot/ykbs.com/vendor/topthink/think-orm/src/db/concern/TableFieldInfo.php ( 2.61 KB )
- /www/wwwroot/ykbs.com/vendor/topthink/framework/src/think/log/driver/File.php ( 6.38 KB )
- /www/wwwroot/ykbs.com/vendor/topthink/framework/src/think/contract/LogHandlerInterface.php ( 0.89 KB )
- /www/wwwroot/ykbs.com/vendor/topthink/framework/src/think/log/Channel.php ( 6.82 KB )
- /www/wwwroot/ykbs.com/vendor/topthink/framework/src/think/event/LogRecord.php ( 0.89 KB )
- /www/wwwroot/ykbs.com/vendor/topthink/framework/src/think/facade/View.php ( 1.75 KB )
- /www/wwwroot/ykbs.com/app/model/system/WebDisableIp.php ( 1.84 KB )
- /www/wwwroot/ykbs.com/vendor/topthink/think-orm/src/db/CacheItem.php ( 4.77 KB )
- /www/wwwroot/ykbs.com/vendor/topthink/think-orm/src/facade/Db.php ( 0.97 KB )
- /www/wwwroot/ykbs.com/vendor/topthink/think-multi-app/src/Url.php ( 7.75 KB )
- /www/wwwroot/ykbs.com/vendor/topthink/framework/src/think/route/Url.php ( 15.17 KB )
- /www/wwwroot/ykbs.com/extend/VieTrue/util/Images.php ( 3.86 KB )
- /www/wwwroot/ykbs.com/extend/VieTrue/util/Image.php ( 2.84 KB )
- /www/wwwroot/ykbs.com/vendor/topthink/framework/src/think/cache/TagSet.php ( 3.36 KB )
- /www/wwwroot/ykbs.com/vendor/topthink/framework/src/think/View.php ( 4.60 KB )
- /www/wwwroot/ykbs.com/vendor/isszz/think-blade/src/Blade.php ( 10.96 KB )
- /www/wwwroot/ykbs.com/vendor/topthink/framework/src/think/contract/TemplateHandlerInterface.php ( 1.77 KB )
- /www/wwwroot/ykbs.com/vendor/isszz/think-blade/src/BladeInstance.php ( 6.68 KB )
- /www/wwwroot/ykbs.com/vendor/isszz/think-blade/src/BladeInterface.php ( 3.18 KB )
- /www/wwwroot/ykbs.com/vendor/isszz/think-blade/src/Contracts/View/Factory.php ( 1.51 KB )
- /www/wwwroot/ykbs.com/vendor/isszz/think-blade/src/View/Factory.php ( 12.02 KB )
- /www/wwwroot/ykbs.com/vendor/isszz/think-blade/src/Support/Traits/Macroable.php ( 2.86 KB )
- /www/wwwroot/ykbs.com/vendor/isszz/think-blade/src/View/Concerns/ManagesComponents.php ( 3.34 KB )
- /www/wwwroot/ykbs.com/vendor/isszz/think-blade/src/View/Concerns/ManagesLayouts.php ( 5.27 KB )
- /www/wwwroot/ykbs.com/vendor/isszz/think-blade/src/View/Concerns/ManagesLoops.php ( 2.28 KB )
- /www/wwwroot/ykbs.com/vendor/isszz/think-blade/src/View/Concerns/ManagesStacks.php ( 4.43 KB )
- /www/wwwroot/ykbs.com/vendor/isszz/think-blade/src/View/Concerns/ManagesTranslations.php ( 0.79 KB )
- /www/wwwroot/ykbs.com/vendor/isszz/think-blade/src/View/Engines/EngineResolver.php ( 1.32 KB )
- /www/wwwroot/ykbs.com/vendor/isszz/think-blade/src/View/View.php ( 8.90 KB )
- /www/wwwroot/ykbs.com/vendor/isszz/think-blade/src/Contracts/View/View.php ( 0.56 KB )
- /www/wwwroot/ykbs.com/vendor/isszz/think-blade/src/Contracts/Support/Renderable.php ( 0.21 KB )
- /www/wwwroot/ykbs.com/vendor/isszz/think-blade/src/Support/Arr.php ( 15.60 KB )
- /www/wwwroot/ykbs.com/vendor/isszz/think-blade/src/Support/Str.php ( 26.30 KB )
- /www/wwwroot/ykbs.com/vendor/isszz/think-blade/src/View/Compilers/BladeCompiler.php ( 14.78 KB )
- /www/wwwroot/ykbs.com/vendor/isszz/think-blade/src/View/Compilers/Compiler.php ( 2.06 KB )
- /www/wwwroot/ykbs.com/vendor/isszz/think-blade/src/View/Compilers/CompilerInterface.php ( 0.58 KB )
- /www/wwwroot/ykbs.com/vendor/isszz/think-blade/src/View/Compilers/Concerns/CompilesAuthorizations.php ( 2.56 KB )
- /www/wwwroot/ykbs.com/vendor/isszz/think-blade/src/View/Compilers/Concerns/CompilesComments.php ( 0.42 KB )
- /www/wwwroot/ykbs.com/vendor/isszz/think-blade/src/View/Compilers/Concerns/CompilesComponents.php ( 1.55 KB )
- /www/wwwroot/ykbs.com/vendor/isszz/think-blade/src/View/Compilers/Concerns/CompilesConditionals.php ( 4.94 KB )
- /www/wwwroot/ykbs.com/vendor/isszz/think-blade/src/View/Compilers/Concerns/CompilesEchos.php ( 3.18 KB )
- /www/wwwroot/ykbs.com/vendor/isszz/think-blade/src/View/Compilers/Concerns/CompilesErrors.php ( 0.81 KB )
- /www/wwwroot/ykbs.com/vendor/isszz/think-blade/src/View/Compilers/Concerns/CompilesHelpers.php ( 1.02 KB )
- /www/wwwroot/ykbs.com/vendor/isszz/think-blade/src/View/Compilers/Concerns/CompilesIncludes.php ( 2.46 KB )
- /www/wwwroot/ykbs.com/vendor/isszz/think-blade/src/View/Compilers/Concerns/CompilesInjections.php ( 0.52 KB )
- /www/wwwroot/ykbs.com/vendor/isszz/think-blade/src/View/Compilers/Concerns/CompilesJson.php ( 0.74 KB )
- /www/wwwroot/ykbs.com/vendor/isszz/think-blade/src/View/Compilers/Concerns/CompilesLayouts.php ( 2.59 KB )
- /www/wwwroot/ykbs.com/vendor/isszz/think-blade/src/View/Compilers/Concerns/CompilesLoops.php ( 4.52 KB )
- /www/wwwroot/ykbs.com/vendor/isszz/think-blade/src/View/Compilers/Concerns/CompilesRawPhp.php ( 0.64 KB )
- /www/wwwroot/ykbs.com/vendor/isszz/think-blade/src/View/Compilers/Concerns/CompilesStacks.php ( 1.30 KB )
- /www/wwwroot/ykbs.com/vendor/isszz/think-blade/src/View/Compilers/Concerns/CompilesTranslations.php ( 1.07 KB )
- /www/wwwroot/ykbs.com/vendor/isszz/think-blade/src/Filesystem/Filesystem.php ( 14.90 KB )
- /www/wwwroot/ykbs.com/vendor/isszz/think-blade/src/View/Engines/CompilerEngine.php ( 2.70 KB )
- /www/wwwroot/ykbs.com/vendor/isszz/think-blade/src/View/Engines/PhpEngine.php ( 1.72 KB )
- /www/wwwroot/ykbs.com/vendor/isszz/think-blade/src/Contracts/View/Engine.php ( 0.27 KB )
- /www/wwwroot/ykbs.com/vendor/isszz/think-blade/src/Support/Collection.php ( 31.33 KB )
- /www/wwwroot/ykbs.com/vendor/isszz/think-blade/src/Support/Enumerable.php ( 22.20 KB )
- /www/wwwroot/ykbs.com/vendor/isszz/think-blade/src/Contracts/Support/Arrayable.php ( 0.19 KB )
- /www/wwwroot/ykbs.com/vendor/isszz/think-blade/src/Contracts/Support/Jsonable.php ( 0.25 KB )
- /www/wwwroot/ykbs.com/vendor/isszz/think-blade/src/Support/Traits/EnumeratesValues.php ( 23.54 KB )
- /www/wwwroot/ykbs.com/runtime/cms/view/cn/5076381ec683a63427d5bbbb5bbc4c39b6cb53a7.product-show.blade.php ( 19.17 KB )
- /www/wwwroot/ykbs.com/runtime/cms/view/cn/1c16f95d89594ec4fe6c516cdd7f938684906954.header.blade.php ( 19.78 KB )
- /www/wwwroot/ykbs.com/vendor/topthink/framework/src/think/exception/ErrorException.php ( 1.79 KB )
- /www/wwwroot/ykbs.com/vendor/topthink/think-orm/src/db/Raw.php ( 1.46 KB )
- /www/wwwroot/ykbs.com/vendor/topthink/think-helper/src/Collection.php ( 17.14 KB )
- /www/wwwroot/ykbs.com/app/model/cms/CmsColumn.php ( 3.09 KB )
- /www/wwwroot/ykbs.com/vendor/topthink/think-orm/src/model/relation/HasOne.php ( 10.66 KB )
- /www/wwwroot/ykbs.com/vendor/topthink/think-orm/src/model/relation/OneToOne.php ( 10.85 KB )
- /www/wwwroot/ykbs.com/vendor/topthink/think-orm/src/model/Relation.php ( 7.25 KB )
- /www/wwwroot/ykbs.com/app/model/cms/CmsColumnCustoms.php ( 0.17 KB )
- /www/wwwroot/ykbs.com/vendor/topthink/think-orm/src/model/Collection.php ( 7.05 KB )
- /www/wwwroot/ykbs.com/runtime/cms/view/cn/47e86cd13e9462146dfa2d43652c801b75f47c5a.bread.blade.php ( 0.64 KB )
- /www/wwwroot/ykbs.com/runtime/cms/view/cn/d9bc6d0ae38045ae0798fc2c0558bd19c9ae9d92.common.blade.php ( 0.72 KB )
- /www/wwwroot/ykbs.com/runtime/cms/view/cn/4bce9c92397e322fb09ba8d4bf4233eeff689d6c.footer.blade.php ( 24.72 KB )
- /www/wwwroot/ykbs.com/extend/VieTrue/util/Form.php ( 3.42 KB )
- /www/wwwroot/ykbs.com/runtime/cms/view/cn/74a95267843944575fb846dcbf46242689cc07f2.footer-script.blade.php ( 40.85 KB )
- /www/wwwroot/ykbs.com/vendor/topthink/framework/src/think/facade/Cookie.php ( 1.53 KB )
- /www/wwwroot/ykbs.com/vendor/topthink/framework/src/think/Response.php ( 9.01 KB )
- /www/wwwroot/ykbs.com/vendor/topthink/framework/src/think/response/Html.php ( 1.01 KB )
- /www/wwwroot/ykbs.com/vendor/topthink/think-trace/src/Html.php ( 4.49 KB )
- [ VIEW ] cms/show/product-show [ array ( 0 => 'info', 1 => 'cate', 2 => 'SEO', 3 => 'catid', 4 => 'page', 5 => 'thisUrl', ) ]
- CONNECT:[ UseTime:0.000806s ] mysql:host=127.0.0.1;port=3306;dbname=ykbs_com;charset=utf8mb4
- SHOW FULL COLUMNS FROM `cn_web_url_redirect` [ RunTime:0.002151s ]
- SELECT `target_url` FROM `cn_web_url_redirect` WHERE `source_url` = '/product-akh-series/117.html' AND `is_delete` = 0 LIMIT 1 [ RunTime:0.001253s ]
- SHOW FULL COLUMNS FROM `cn_web_disable_ip` [ RunTime:0.002466s ]
- SHOW FULL COLUMNS FROM `cn_z_product` [ RunTime:0.001887s ]
- SELECT * FROM `cn_z_product` WHERE `id` = 117 AND `status` = 1 LIMIT 1 [ RunTime:0.001478s ]
- UPDATE `cn_z_product` SET `click` = `click` + 1 WHERE `id` = 117 [ RunTime:0.006820s ]
- SHOW FULL COLUMNS FROM `cn_web_basic_setting` [ RunTime:0.001423s ]
- SELECT * FROM `cn_web_basic_setting` WHERE `field_key` = 'obituary_mode' LIMIT 1 [ RunTime:0.000643s ]
- SELECT * FROM `cn_z_product` WHERE `status` = 1 AND `recycle` = 0 AND `drafts` = 0 AND `catid` = 158 ORDER BY listorder DESC,createtime DESC,id DESC [ RunTime:0.001676s ]
- SELECT * FROM `cn_z_product` WHERE `status` = 1 AND `recycle` = 0 AND `drafts` = 0 AND `catid` = 159 ORDER BY listorder DESC,createtime DESC,id DESC [ RunTime:0.002510s ]
- SELECT * FROM `cn_z_product` WHERE `status` = 1 AND `recycle` = 0 AND `drafts` = 0 AND `catid` = 160 ORDER BY listorder DESC,createtime DESC,id DESC [ RunTime:0.001881s ]
- SELECT * FROM `cn_z_product` WHERE `status` = 1 AND `recycle` = 0 AND `drafts` = 0 AND `catid` = 165 ORDER BY listorder DESC,createtime DESC,id DESC [ RunTime:0.002589s ]
- SELECT * FROM `cn_z_product` WHERE `status` = 1 AND `recycle` = 0 AND `drafts` = 0 AND `catid` = 166 ORDER BY listorder DESC,createtime DESC,id DESC [ RunTime:0.002641s ]
- SELECT * FROM `cn_z_product` WHERE `status` = 1 AND `recycle` = 0 AND `drafts` = 0 AND `catid` = 167 ORDER BY listorder DESC,createtime DESC,id DESC [ RunTime:0.002015s ]
- SELECT * FROM `cn_z_product` WHERE `status` = 1 AND `recycle` = 0 AND `drafts` = 0 AND `catid` = 168 ORDER BY listorder DESC,createtime DESC,id DESC [ RunTime:0.002218s ]
- SELECT * FROM `cn_z_product` WHERE `status` = 1 AND `recycle` = 0 AND `drafts` = 0 AND `catid` = 169 ORDER BY listorder DESC,createtime DESC,id DESC [ RunTime:0.001541s ]
- SELECT * FROM `cn_z_product` WHERE `status` = 1 AND `recycle` = 0 AND `drafts` = 0 AND `catid` = 170 ORDER BY listorder DESC,createtime DESC,id DESC [ RunTime:0.001614s ]
- SELECT * FROM `cn_z_product` WHERE `status` = 1 AND `recycle` = 0 AND `drafts` = 0 AND `catid` = 171 ORDER BY listorder DESC,createtime DESC,id DESC [ RunTime:0.001537s ]
- SELECT * FROM `cn_z_product` WHERE `status` = 1 AND `recycle` = 0 AND `drafts` = 0 AND `catid` = 172 ORDER BY listorder DESC,createtime DESC,id DESC [ RunTime:0.001579s ]
- SELECT * FROM `cn_z_product` WHERE `status` = 1 AND `recycle` = 0 AND `drafts` = 0 AND `catid` = 173 ORDER BY listorder DESC,createtime DESC,id DESC [ RunTime:0.001613s ]
- SELECT * FROM `cn_z_product` WHERE `status` = 1 AND `recycle` = 0 AND `drafts` = 0 AND `catid` = 174 ORDER BY listorder DESC,createtime DESC,id DESC [ RunTime:0.001633s ]
- SELECT * FROM `cn_z_product` WHERE `status` = 1 AND `recycle` = 0 AND `drafts` = 0 AND `catid` = 175 ORDER BY listorder DESC,createtime DESC,id DESC [ RunTime:0.001452s ]
- SELECT * FROM `cn_z_product` WHERE `status` = 1 AND `recycle` = 0 AND `drafts` = 0 AND `catid` = 176 ORDER BY listorder DESC,createtime DESC,id DESC [ RunTime:0.001822s ]
- SELECT * FROM `cn_z_product` WHERE `status` = 1 AND `recycle` = 0 AND `drafts` = 0 AND `catid` = 177 ORDER BY listorder DESC,createtime DESC,id DESC [ RunTime:0.001645s ]
- SELECT * FROM `cn_z_product` WHERE `status` = 1 AND `recycle` = 0 AND `drafts` = 0 AND `catid` = 178 ORDER BY listorder DESC,createtime DESC,id DESC [ RunTime:0.001463s ]
- SELECT * FROM `cn_z_product` WHERE `status` = 1 AND `recycle` = 0 AND `drafts` = 0 AND `catid` = 179 ORDER BY listorder DESC,createtime DESC,id DESC [ RunTime:0.001467s ]
- SELECT * FROM `cn_z_product` WHERE `status` = 1 AND `recycle` = 0 AND `drafts` = 0 AND `catid` = 180 ORDER BY listorder DESC,createtime DESC,id DESC [ RunTime:0.001577s ]
- SELECT * FROM `cn_z_product` WHERE `status` = 1 AND `recycle` = 0 AND `drafts` = 0 AND `catid` = 181 ORDER BY listorder DESC,createtime DESC,id DESC [ RunTime:0.002318s ]
- SELECT * FROM `cn_z_product` WHERE `status` = 1 AND `recycle` = 0 AND `drafts` = 0 AND `catid` = 182 ORDER BY listorder DESC,createtime DESC,id DESC [ RunTime:0.001668s ]
- SELECT * FROM `cn_z_product` WHERE `status` = 1 AND `recycle` = 0 AND `drafts` = 0 AND `catid` = 183 ORDER BY listorder DESC,createtime DESC,id DESC [ RunTime:0.001588s ]
- SELECT * FROM `cn_z_product` WHERE `status` = 1 AND `recycle` = 0 AND `drafts` = 0 AND `catid` = 184 ORDER BY listorder DESC,createtime DESC,id DESC [ RunTime:0.001493s ]
- SELECT * FROM `cn_z_product` WHERE `status` = 1 AND `recycle` = 0 AND `drafts` = 0 AND `catid` = 185 ORDER BY listorder DESC,createtime DESC,id DESC [ RunTime:0.001532s ]
- SELECT * FROM `cn_z_product` WHERE `status` = 1 AND `recycle` = 0 AND `drafts` = 0 AND `catid` = 220 ORDER BY listorder DESC,createtime DESC,id DESC [ RunTime:0.001565s ]
- SELECT * FROM `cn_z_product` WHERE `status` = 1 AND `recycle` = 0 AND `drafts` = 0 AND `catid` = 221 ORDER BY listorder DESC,createtime DESC,id DESC [ RunTime:0.001570s ]
- SELECT * FROM `cn_z_product` WHERE `status` = 1 AND `recycle` = 0 AND `drafts` = 0 AND `catid` = 222 ORDER BY listorder DESC,createtime DESC,id DESC [ RunTime:0.001978s ]
- SELECT * FROM `cn_z_product` WHERE `status` = 1 AND `recycle` = 0 AND `drafts` = 0 AND `catid` = 223 ORDER BY listorder DESC,createtime DESC,id DESC [ RunTime:0.002327s ]
- SELECT * FROM `cn_z_product` WHERE `status` = 1 AND `recycle` = 0 AND `drafts` = 0 AND `catid` = 215 ORDER BY listorder DESC,createtime DESC,id DESC [ RunTime:0.001900s ]
- SELECT * FROM `cn_z_product` WHERE `status` = 1 AND `recycle` = 0 AND `drafts` = 0 AND `catid` = 244 ORDER BY listorder DESC,createtime DESC,id DESC [ RunTime:0.002123s ]
- SELECT * FROM `cn_z_product` WHERE `status` = 1 AND `recycle` = 0 AND `drafts` = 0 AND `catid` = 161 ORDER BY listorder DESC,createtime DESC,id DESC [ RunTime:0.002381s ]
- SELECT * FROM `cn_z_product` WHERE `status` = 1 AND `recycle` = 0 AND `drafts` = 0 AND `catid` = 216 ORDER BY listorder DESC,createtime DESC,id DESC [ RunTime:0.001851s ]
- SELECT * FROM `cn_z_product` WHERE `status` = 1 AND `recycle` = 0 AND `drafts` = 0 AND `catid` = 236 ORDER BY listorder DESC,createtime DESC,id DESC [ RunTime:0.001753s ]
- SELECT * FROM `cn_z_product` WHERE `status` = 1 AND `recycle` = 0 AND `drafts` = 0 AND `catid` = 242 ORDER BY listorder DESC,createtime DESC,id DESC [ RunTime:0.001527s ]
- SELECT * FROM `cn_z_product` WHERE `status` = 1 AND `recycle` = 0 AND `drafts` = 0 AND `catid` = 163 ORDER BY listorder DESC,createtime DESC,id DESC [ RunTime:0.001650s ]
- SELECT * FROM `cn_z_product` WHERE `status` = 1 AND `recycle` = 0 AND `drafts` = 0 AND `catid` = 164 ORDER BY listorder DESC,createtime DESC,id DESC [ RunTime:0.001577s ]
- SHOW FULL COLUMNS FROM `cn_cms_column` [ RunTime:0.001306s ]
- SHOW FULL COLUMNS FROM `cn_cms_column_customs` [ RunTime:0.001331s ]
- SELECT `cms_column`.`id`,`cms_column`.`type`,`cms_column`.`parentid`,`cms_column`.`modelid`,`cms_column`.`arrparentid`,`cms_column`.`arrchildid`,`cms_column`.`name`,`cms_column`.`catdir`,`cms_column`.`url`,`cms_column`.`items`,`cms_column`.`list_template_html`,`cms_column`.`show_template_html`,`cms_column`.`auditing`,`cms_column`.`seo_title`,`cms_column`.`seo_keywords`,`cms_column`.`seo_description`,`cms_column`.`sitemap`,`cms_column`.`target`,`cms_column`.`isnav`,`cms_column`.`status`,`cms_column`.`isurl`,`cms_column`.`ispush`,`cms_column`.`listorder`,`cms_column`.`createtime`,`cms_column`.`updatetime`,`cms_column`.`is_delete`,`cms_column`.`slide`,`cms_column`.`is_slide`,`customs`.`field` AS `customs__field`,`customs`.`catid` AS `customs__catid`,`customs`.`content` AS `customs__content` FROM `cn_cms_column` `cms_column` INNER JOIN `cn_cms_column_customs` `customs` ON `cms_column`.`id`=`customs`.`catid` WHERE `parentid` = 7 AND `status` = 1 AND ( FIND_IN_SET(1, isnav) ) ORDER BY `listorder` DESC,`createtime` ASC,`id` ASC [ RunTime:0.001072s ]
- SELECT `cms_column`.`id`,`cms_column`.`type`,`cms_column`.`parentid`,`cms_column`.`modelid`,`cms_column`.`arrparentid`,`cms_column`.`arrchildid`,`cms_column`.`name`,`cms_column`.`catdir`,`cms_column`.`url`,`cms_column`.`items`,`cms_column`.`list_template_html`,`cms_column`.`show_template_html`,`cms_column`.`auditing`,`cms_column`.`seo_title`,`cms_column`.`seo_keywords`,`cms_column`.`seo_description`,`cms_column`.`sitemap`,`cms_column`.`target`,`cms_column`.`isnav`,`cms_column`.`status`,`cms_column`.`isurl`,`cms_column`.`ispush`,`cms_column`.`listorder`,`cms_column`.`createtime`,`cms_column`.`updatetime`,`cms_column`.`is_delete`,`cms_column`.`slide`,`cms_column`.`is_slide`,`customs`.`field` AS `customs__field`,`customs`.`catid` AS `customs__catid`,`customs`.`content` AS `customs__content` FROM `cn_cms_column` `cms_column` INNER JOIN `cn_cms_column_customs` `customs` ON `cms_column`.`id`=`customs`.`catid` WHERE `parentid` = 8 AND `status` = 1 AND ( FIND_IN_SET(1, isnav) ) ORDER BY `listorder` DESC,`createtime` ASC,`id` ASC [ RunTime:0.001388s ]
- SELECT `cms_column`.`id`,`cms_column`.`type`,`cms_column`.`parentid`,`cms_column`.`modelid`,`cms_column`.`arrparentid`,`cms_column`.`arrchildid`,`cms_column`.`name`,`cms_column`.`catdir`,`cms_column`.`url`,`cms_column`.`items`,`cms_column`.`list_template_html`,`cms_column`.`show_template_html`,`cms_column`.`auditing`,`cms_column`.`seo_title`,`cms_column`.`seo_keywords`,`cms_column`.`seo_description`,`cms_column`.`sitemap`,`cms_column`.`target`,`cms_column`.`isnav`,`cms_column`.`status`,`cms_column`.`isurl`,`cms_column`.`ispush`,`cms_column`.`listorder`,`cms_column`.`createtime`,`cms_column`.`updatetime`,`cms_column`.`is_delete`,`cms_column`.`slide`,`cms_column`.`is_slide`,`customs`.`field` AS `customs__field`,`customs`.`catid` AS `customs__catid`,`customs`.`content` AS `customs__content` FROM `cn_cms_column` `cms_column` INNER JOIN `cn_cms_column_customs` `customs` ON `cms_column`.`id`=`customs`.`catid` WHERE `parentid` = 9 AND `status` = 1 AND ( FIND_IN_SET(1, isnav) ) ORDER BY `listorder` DESC,`createtime` ASC,`id` ASC [ RunTime:0.001197s ]
- SELECT `cms_column`.`id`,`cms_column`.`type`,`cms_column`.`parentid`,`cms_column`.`modelid`,`cms_column`.`arrparentid`,`cms_column`.`arrchildid`,`cms_column`.`name`,`cms_column`.`catdir`,`cms_column`.`url`,`cms_column`.`items`,`cms_column`.`list_template_html`,`cms_column`.`show_template_html`,`cms_column`.`auditing`,`cms_column`.`seo_title`,`cms_column`.`seo_keywords`,`cms_column`.`seo_description`,`cms_column`.`sitemap`,`cms_column`.`target`,`cms_column`.`isnav`,`cms_column`.`status`,`cms_column`.`isurl`,`cms_column`.`ispush`,`cms_column`.`listorder`,`cms_column`.`createtime`,`cms_column`.`updatetime`,`cms_column`.`is_delete`,`cms_column`.`slide`,`cms_column`.`is_slide`,`customs`.`field` AS `customs__field`,`customs`.`catid` AS `customs__catid`,`customs`.`content` AS `customs__content` FROM `cn_cms_column` `cms_column` INNER JOIN `cn_cms_column_customs` `customs` ON `cms_column`.`id`=`customs`.`catid` WHERE `parentid` = 10 AND `status` = 1 AND ( FIND_IN_SET(1, isnav) ) ORDER BY `listorder` DESC,`createtime` ASC,`id` ASC [ RunTime:0.001312s ]
- SELECT `cms_column`.`id`,`cms_column`.`type`,`cms_column`.`parentid`,`cms_column`.`modelid`,`cms_column`.`arrparentid`,`cms_column`.`arrchildid`,`cms_column`.`name`,`cms_column`.`catdir`,`cms_column`.`url`,`cms_column`.`items`,`cms_column`.`list_template_html`,`cms_column`.`show_template_html`,`cms_column`.`auditing`,`cms_column`.`seo_title`,`cms_column`.`seo_keywords`,`cms_column`.`seo_description`,`cms_column`.`sitemap`,`cms_column`.`target`,`cms_column`.`isnav`,`cms_column`.`status`,`cms_column`.`isurl`,`cms_column`.`ispush`,`cms_column`.`listorder`,`cms_column`.`createtime`,`cms_column`.`updatetime`,`cms_column`.`is_delete`,`cms_column`.`slide`,`cms_column`.`is_slide`,`customs`.`field` AS `customs__field`,`customs`.`catid` AS `customs__catid`,`customs`.`content` AS `customs__content` FROM `cn_cms_column` `cms_column` INNER JOIN `cn_cms_column_customs` `customs` ON `cms_column`.`id`=`customs`.`catid` WHERE `parentid` = 41 AND `status` = 1 AND ( FIND_IN_SET(1, isnav) ) ORDER BY `listorder` DESC,`createtime` ASC,`id` ASC [ RunTime:0.001248s ]
- SELECT `cms_column`.`id`,`cms_column`.`type`,`cms_column`.`parentid`,`cms_column`.`modelid`,`cms_column`.`arrparentid`,`cms_column`.`arrchildid`,`cms_column`.`name`,`cms_column`.`catdir`,`cms_column`.`url`,`cms_column`.`items`,`cms_column`.`list_template_html`,`cms_column`.`show_template_html`,`cms_column`.`auditing`,`cms_column`.`seo_title`,`cms_column`.`seo_keywords`,`cms_column`.`seo_description`,`cms_column`.`sitemap`,`cms_column`.`target`,`cms_column`.`isnav`,`cms_column`.`status`,`cms_column`.`isurl`,`cms_column`.`ispush`,`cms_column`.`listorder`,`cms_column`.`createtime`,`cms_column`.`updatetime`,`cms_column`.`is_delete`,`cms_column`.`slide`,`cms_column`.`is_slide`,`customs`.`field` AS `customs__field`,`customs`.`catid` AS `customs__catid`,`customs`.`content` AS `customs__content` FROM `cn_cms_column` `cms_column` INNER JOIN `cn_cms_column_customs` `customs` ON `cms_column`.`id`=`customs`.`catid` WHERE `parentid` = 11 AND `status` = 1 AND ( FIND_IN_SET(1, isnav) ) ORDER BY `listorder` DESC,`createtime` ASC,`id` ASC [ RunTime:0.001357s ]
- SELECT `cms_column`.`id`,`cms_column`.`type`,`cms_column`.`parentid`,`cms_column`.`modelid`,`cms_column`.`arrparentid`,`cms_column`.`arrchildid`,`cms_column`.`name`,`cms_column`.`catdir`,`cms_column`.`url`,`cms_column`.`items`,`cms_column`.`list_template_html`,`cms_column`.`show_template_html`,`cms_column`.`auditing`,`cms_column`.`seo_title`,`cms_column`.`seo_keywords`,`cms_column`.`seo_description`,`cms_column`.`sitemap`,`cms_column`.`target`,`cms_column`.`isnav`,`cms_column`.`status`,`cms_column`.`isurl`,`cms_column`.`ispush`,`cms_column`.`listorder`,`cms_column`.`createtime`,`cms_column`.`updatetime`,`cms_column`.`is_delete`,`cms_column`.`slide`,`cms_column`.`is_slide`,`customs`.`field` AS `customs__field`,`customs`.`catid` AS `customs__catid`,`customs`.`content` AS `customs__content` FROM `cn_cms_column` `cms_column` INNER JOIN `cn_cms_column_customs` `customs` ON `cms_column`.`id`=`customs`.`catid` WHERE `parentid` = 12 AND `status` = 1 AND ( FIND_IN_SET(1, isnav) ) ORDER BY `listorder` DESC,`createtime` ASC,`id` ASC [ RunTime:0.001160s ]
- SELECT `cms_column`.`id`,`cms_column`.`type`,`cms_column`.`parentid`,`cms_column`.`modelid`,`cms_column`.`arrparentid`,`cms_column`.`arrchildid`,`cms_column`.`name`,`cms_column`.`catdir`,`cms_column`.`url`,`cms_column`.`items`,`cms_column`.`list_template_html`,`cms_column`.`show_template_html`,`cms_column`.`auditing`,`cms_column`.`seo_title`,`cms_column`.`seo_keywords`,`cms_column`.`seo_description`,`cms_column`.`sitemap`,`cms_column`.`target`,`cms_column`.`isnav`,`cms_column`.`status`,`cms_column`.`isurl`,`cms_column`.`ispush`,`cms_column`.`listorder`,`cms_column`.`createtime`,`cms_column`.`updatetime`,`cms_column`.`is_delete`,`cms_column`.`slide`,`cms_column`.`is_slide`,`customs`.`field` AS `customs__field`,`customs`.`catid` AS `customs__catid`,`customs`.`content` AS `customs__content` FROM `cn_cms_column` `cms_column` INNER JOIN `cn_cms_column_customs` `customs` ON `cms_column`.`id`=`customs`.`catid` WHERE `parentid` = 13 AND `status` = 1 AND ( FIND_IN_SET(1, isnav) ) ORDER BY `listorder` DESC,`createtime` ASC,`id` ASC [ RunTime:0.001102s ]
- SELECT `cms_column`.`id`,`cms_column`.`type`,`cms_column`.`parentid`,`cms_column`.`modelid`,`cms_column`.`arrparentid`,`cms_column`.`arrchildid`,`cms_column`.`name`,`cms_column`.`catdir`,`cms_column`.`url`,`cms_column`.`items`,`cms_column`.`list_template_html`,`cms_column`.`show_template_html`,`cms_column`.`auditing`,`cms_column`.`seo_title`,`cms_column`.`seo_keywords`,`cms_column`.`seo_description`,`cms_column`.`sitemap`,`cms_column`.`target`,`cms_column`.`isnav`,`cms_column`.`status`,`cms_column`.`isurl`,`cms_column`.`ispush`,`cms_column`.`listorder`,`cms_column`.`createtime`,`cms_column`.`updatetime`,`cms_column`.`is_delete`,`cms_column`.`slide`,`cms_column`.`is_slide`,`customs`.`field` AS `customs__field`,`customs`.`catid` AS `customs__catid`,`customs`.`content` AS `customs__content` FROM `cn_cms_column` `cms_column` INNER JOIN `cn_cms_column_customs` `customs` ON `cms_column`.`id`=`customs`.`catid` WHERE `parentid` = 241 AND `status` = 1 AND ( FIND_IN_SET(1, isnav) ) ORDER BY `listorder` DESC,`createtime` ASC,`id` ASC [ RunTime:0.001997s ]
- SELECT `cms_column`.`id`,`cms_column`.`type`,`cms_column`.`parentid`,`cms_column`.`modelid`,`cms_column`.`arrparentid`,`cms_column`.`arrchildid`,`cms_column`.`name`,`cms_column`.`catdir`,`cms_column`.`url`,`cms_column`.`items`,`cms_column`.`list_template_html`,`cms_column`.`show_template_html`,`cms_column`.`auditing`,`cms_column`.`seo_title`,`cms_column`.`seo_keywords`,`cms_column`.`seo_description`,`cms_column`.`sitemap`,`cms_column`.`target`,`cms_column`.`isnav`,`cms_column`.`status`,`cms_column`.`isurl`,`cms_column`.`ispush`,`cms_column`.`listorder`,`cms_column`.`createtime`,`cms_column`.`updatetime`,`cms_column`.`is_delete`,`cms_column`.`slide`,`cms_column`.`is_slide`,`customs`.`field` AS `customs__field`,`customs`.`catid` AS `customs__catid`,`customs`.`content` AS `customs__content` FROM `cn_cms_column` `cms_column` INNER JOIN `cn_cms_column_customs` `customs` ON `cms_column`.`id`=`customs`.`catid` WHERE `parentid` = 15 AND `status` = 1 AND ( FIND_IN_SET(1, isnav) ) ORDER BY `listorder` DESC,`createtime` ASC,`id` ASC [ RunTime:0.001152s ]
- SELECT `cms_column`.`id`,`cms_column`.`type`,`cms_column`.`parentid`,`cms_column`.`modelid`,`cms_column`.`arrparentid`,`cms_column`.`arrchildid`,`cms_column`.`name`,`cms_column`.`catdir`,`cms_column`.`url`,`cms_column`.`items`,`cms_column`.`list_template_html`,`cms_column`.`show_template_html`,`cms_column`.`auditing`,`cms_column`.`seo_title`,`cms_column`.`seo_keywords`,`cms_column`.`seo_description`,`cms_column`.`sitemap`,`cms_column`.`target`,`cms_column`.`isnav`,`cms_column`.`status`,`cms_column`.`isurl`,`cms_column`.`ispush`,`cms_column`.`listorder`,`cms_column`.`createtime`,`cms_column`.`updatetime`,`cms_column`.`is_delete`,`cms_column`.`slide`,`cms_column`.`is_slide`,`customs`.`field` AS `customs__field`,`customs`.`catid` AS `customs__catid`,`customs`.`content` AS `customs__content` FROM `cn_cms_column` `cms_column` INNER JOIN `cn_cms_column_customs` `customs` ON `cms_column`.`id`=`customs`.`catid` WHERE `parentid` = 17 AND `status` = 1 AND ( FIND_IN_SET(1, isnav) ) ORDER BY `listorder` DESC,`createtime` ASC,`id` ASC [ RunTime:0.001209s ]
- SELECT `cms_column`.`id`,`cms_column`.`type`,`cms_column`.`parentid`,`cms_column`.`modelid`,`cms_column`.`arrparentid`,`cms_column`.`arrchildid`,`cms_column`.`name`,`cms_column`.`catdir`,`cms_column`.`url`,`cms_column`.`items`,`cms_column`.`list_template_html`,`cms_column`.`show_template_html`,`cms_column`.`auditing`,`cms_column`.`seo_title`,`cms_column`.`seo_keywords`,`cms_column`.`seo_description`,`cms_column`.`sitemap`,`cms_column`.`target`,`cms_column`.`isnav`,`cms_column`.`status`,`cms_column`.`isurl`,`cms_column`.`ispush`,`cms_column`.`listorder`,`cms_column`.`createtime`,`cms_column`.`updatetime`,`cms_column`.`is_delete`,`cms_column`.`slide`,`cms_column`.`is_slide`,`customs`.`field` AS `customs__field`,`customs`.`catid` AS `customs__catid`,`customs`.`content` AS `customs__content` FROM `cn_cms_column` `cms_column` INNER JOIN `cn_cms_column_customs` `customs` ON `cms_column`.`id`=`customs`.`catid` WHERE `parentid` = 19 AND `status` = 1 AND ( FIND_IN_SET(1, isnav) ) ORDER BY `listorder` DESC,`createtime` ASC,`id` ASC [ RunTime:0.001585s ]
- SELECT `cms_column`.`id`,`cms_column`.`type`,`cms_column`.`parentid`,`cms_column`.`modelid`,`cms_column`.`arrparentid`,`cms_column`.`arrchildid`,`cms_column`.`name`,`cms_column`.`catdir`,`cms_column`.`url`,`cms_column`.`items`,`cms_column`.`list_template_html`,`cms_column`.`show_template_html`,`cms_column`.`auditing`,`cms_column`.`seo_title`,`cms_column`.`seo_keywords`,`cms_column`.`seo_description`,`cms_column`.`sitemap`,`cms_column`.`target`,`cms_column`.`isnav`,`cms_column`.`status`,`cms_column`.`isurl`,`cms_column`.`ispush`,`cms_column`.`listorder`,`cms_column`.`createtime`,`cms_column`.`updatetime`,`cms_column`.`is_delete`,`cms_column`.`slide`,`cms_column`.`is_slide`,`customs`.`field` AS `customs__field`,`customs`.`catid` AS `customs__catid`,`customs`.`content` AS `customs__content` FROM `cn_cms_column` `cms_column` INNER JOIN `cn_cms_column_customs` `customs` ON `cms_column`.`id`=`customs`.`catid` WHERE `parentid` = 20 AND `status` = 1 AND ( FIND_IN_SET(1, isnav) ) ORDER BY `listorder` DESC,`createtime` ASC,`id` ASC [ RunTime:0.000985s ]
- SELECT `cms_column`.`id`,`cms_column`.`type`,`cms_column`.`parentid`,`cms_column`.`modelid`,`cms_column`.`arrparentid`,`cms_column`.`arrchildid`,`cms_column`.`name`,`cms_column`.`catdir`,`cms_column`.`url`,`cms_column`.`items`,`cms_column`.`list_template_html`,`cms_column`.`show_template_html`,`cms_column`.`auditing`,`cms_column`.`seo_title`,`cms_column`.`seo_keywords`,`cms_column`.`seo_description`,`cms_column`.`sitemap`,`cms_column`.`target`,`cms_column`.`isnav`,`cms_column`.`status`,`cms_column`.`isurl`,`cms_column`.`ispush`,`cms_column`.`listorder`,`cms_column`.`createtime`,`cms_column`.`updatetime`,`cms_column`.`is_delete`,`cms_column`.`slide`,`cms_column`.`is_slide`,`customs`.`field` AS `customs__field`,`customs`.`catid` AS `customs__catid`,`customs`.`content` AS `customs__content` FROM `cn_cms_column` `cms_column` INNER JOIN `cn_cms_column_customs` `customs` ON `cms_column`.`id`=`customs`.`catid` WHERE `parentid` = 18 AND `status` = 1 AND ( FIND_IN_SET(1, isnav) ) ORDER BY `listorder` DESC,`createtime` ASC,`id` ASC [ RunTime:0.001093s ]
- SELECT `cms_column`.`id`,`cms_column`.`type`,`cms_column`.`parentid`,`cms_column`.`modelid`,`cms_column`.`arrparentid`,`cms_column`.`arrchildid`,`cms_column`.`name`,`cms_column`.`catdir`,`cms_column`.`url`,`cms_column`.`items`,`cms_column`.`list_template_html`,`cms_column`.`show_template_html`,`cms_column`.`auditing`,`cms_column`.`seo_title`,`cms_column`.`seo_keywords`,`cms_column`.`seo_description`,`cms_column`.`sitemap`,`cms_column`.`target`,`cms_column`.`isnav`,`cms_column`.`status`,`cms_column`.`isurl`,`cms_column`.`ispush`,`cms_column`.`listorder`,`cms_column`.`createtime`,`cms_column`.`updatetime`,`cms_column`.`is_delete`,`cms_column`.`slide`,`cms_column`.`is_slide`,`customs`.`field` AS `customs__field`,`customs`.`catid` AS `customs__catid`,`customs`.`content` AS `customs__content` FROM `cn_cms_column` `cms_column` INNER JOIN `cn_cms_column_customs` `customs` ON `cms_column`.`id`=`customs`.`catid` WHERE `parentid` = 21 AND `status` = 1 AND ( FIND_IN_SET(1, isnav) ) ORDER BY `listorder` DESC,`createtime` ASC,`id` ASC [ RunTime:0.001205s ]
- SELECT `cms_column`.`id`,`cms_column`.`type`,`cms_column`.`parentid`,`cms_column`.`modelid`,`cms_column`.`arrparentid`,`cms_column`.`arrchildid`,`cms_column`.`name`,`cms_column`.`catdir`,`cms_column`.`url`,`cms_column`.`items`,`cms_column`.`list_template_html`,`cms_column`.`show_template_html`,`cms_column`.`auditing`,`cms_column`.`seo_title`,`cms_column`.`seo_keywords`,`cms_column`.`seo_description`,`cms_column`.`sitemap`,`cms_column`.`target`,`cms_column`.`isnav`,`cms_column`.`status`,`cms_column`.`isurl`,`cms_column`.`ispush`,`cms_column`.`listorder`,`cms_column`.`createtime`,`cms_column`.`updatetime`,`cms_column`.`is_delete`,`cms_column`.`slide`,`cms_column`.`is_slide`,`customs`.`field` AS `customs__field`,`customs`.`catid` AS `customs__catid`,`customs`.`content` AS `customs__content` FROM `cn_cms_column` `cms_column` INNER JOIN `cn_cms_column_customs` `customs` ON `cms_column`.`id`=`customs`.`catid` WHERE `parentid` = 22 AND `status` = 1 AND ( FIND_IN_SET(1, isnav) ) ORDER BY `listorder` DESC,`createtime` ASC,`id` ASC [ RunTime:0.000980s ]
- SELECT `cms_column`.`id`,`cms_column`.`type`,`cms_column`.`parentid`,`cms_column`.`modelid`,`cms_column`.`arrparentid`,`cms_column`.`arrchildid`,`cms_column`.`name`,`cms_column`.`catdir`,`cms_column`.`url`,`cms_column`.`items`,`cms_column`.`list_template_html`,`cms_column`.`show_template_html`,`cms_column`.`auditing`,`cms_column`.`seo_title`,`cms_column`.`seo_keywords`,`cms_column`.`seo_description`,`cms_column`.`sitemap`,`cms_column`.`target`,`cms_column`.`isnav`,`cms_column`.`status`,`cms_column`.`isurl`,`cms_column`.`ispush`,`cms_column`.`listorder`,`cms_column`.`createtime`,`cms_column`.`updatetime`,`cms_column`.`is_delete`,`cms_column`.`slide`,`cms_column`.`is_slide`,`customs`.`field` AS `customs__field`,`customs`.`catid` AS `customs__catid`,`customs`.`content` AS `customs__content` FROM `cn_cms_column` `cms_column` INNER JOIN `cn_cms_column_customs` `customs` ON `cms_column`.`id`=`customs`.`catid` WHERE `parentid` = 23 AND `status` = 1 AND ( FIND_IN_SET(1, isnav) ) ORDER BY `listorder` DESC,`createtime` ASC,`id` ASC [ RunTime:0.001168s ]
- SELECT `cms_column`.`id`,`cms_column`.`type`,`cms_column`.`parentid`,`cms_column`.`modelid`,`cms_column`.`arrparentid`,`cms_column`.`arrchildid`,`cms_column`.`name`,`cms_column`.`catdir`,`cms_column`.`url`,`cms_column`.`items`,`cms_column`.`list_template_html`,`cms_column`.`show_template_html`,`cms_column`.`auditing`,`cms_column`.`seo_title`,`cms_column`.`seo_keywords`,`cms_column`.`seo_description`,`cms_column`.`sitemap`,`cms_column`.`target`,`cms_column`.`isnav`,`cms_column`.`status`,`cms_column`.`isurl`,`cms_column`.`ispush`,`cms_column`.`listorder`,`cms_column`.`createtime`,`cms_column`.`updatetime`,`cms_column`.`is_delete`,`cms_column`.`slide`,`cms_column`.`is_slide`,`customs`.`field` AS `customs__field`,`customs`.`catid` AS `customs__catid`,`customs`.`content` AS `customs__content` FROM `cn_cms_column` `cms_column` INNER JOIN `cn_cms_column_customs` `customs` ON `cms_column`.`id`=`customs`.`catid` WHERE `parentid` = 31 AND `status` = 1 AND ( FIND_IN_SET(1, isnav) ) ORDER BY `listorder` DESC,`createtime` ASC,`id` ASC [ RunTime:0.001351s ]
- SELECT `cms_column`.`id`,`cms_column`.`type`,`cms_column`.`parentid`,`cms_column`.`modelid`,`cms_column`.`arrparentid`,`cms_column`.`arrchildid`,`cms_column`.`name`,`cms_column`.`catdir`,`cms_column`.`url`,`cms_column`.`items`,`cms_column`.`list_template_html`,`cms_column`.`show_template_html`,`cms_column`.`auditing`,`cms_column`.`seo_title`,`cms_column`.`seo_keywords`,`cms_column`.`seo_description`,`cms_column`.`sitemap`,`cms_column`.`target`,`cms_column`.`isnav`,`cms_column`.`status`,`cms_column`.`isurl`,`cms_column`.`ispush`,`cms_column`.`listorder`,`cms_column`.`createtime`,`cms_column`.`updatetime`,`cms_column`.`is_delete`,`cms_column`.`slide`,`cms_column`.`is_slide`,`customs`.`field` AS `customs__field`,`customs`.`catid` AS `customs__catid`,`customs`.`content` AS `customs__content` FROM `cn_cms_column` `cms_column` INNER JOIN `cn_cms_column_customs` `customs` ON `cms_column`.`id`=`customs`.`catid` WHERE `parentid` = 32 AND `status` = 1 AND ( FIND_IN_SET(1, isnav) ) ORDER BY `listorder` DESC,`createtime` ASC,`id` ASC [ RunTime:0.001104s ]
- SELECT `cms_column`.`id`,`cms_column`.`type`,`cms_column`.`parentid`,`cms_column`.`modelid`,`cms_column`.`arrparentid`,`cms_column`.`arrchildid`,`cms_column`.`name`,`cms_column`.`catdir`,`cms_column`.`url`,`cms_column`.`items`,`cms_column`.`list_template_html`,`cms_column`.`show_template_html`,`cms_column`.`auditing`,`cms_column`.`seo_title`,`cms_column`.`seo_keywords`,`cms_column`.`seo_description`,`cms_column`.`sitemap`,`cms_column`.`target`,`cms_column`.`isnav`,`cms_column`.`status`,`cms_column`.`isurl`,`cms_column`.`ispush`,`cms_column`.`listorder`,`cms_column`.`createtime`,`cms_column`.`updatetime`,`cms_column`.`is_delete`,`cms_column`.`slide`,`cms_column`.`is_slide`,`customs`.`field` AS `customs__field`,`customs`.`catid` AS `customs__catid`,`customs`.`content` AS `customs__content` FROM `cn_cms_column` `cms_column` INNER JOIN `cn_cms_column_customs` `customs` ON `cms_column`.`id`=`customs`.`catid` WHERE `parentid` = 7 AND `status` = 1 AND ( FIND_IN_SET(1, isnav) ) ORDER BY `listorder` DESC,`createtime` ASC,`id` ASC [ RunTime:0.001295s ]
- SELECT * FROM `cn_z_product` WHERE `id` = 117 LIMIT 1 [ RunTime:0.000997s ]
- SELECT * FROM `cn_z_product` WHERE ( `catid` = 89 AND `status` = 1 AND `id` != 117 AND (`listorder` > 85 OR ( `listorder` >= 85 AND `createtime` > '2025-06-30 15:01:57' ) OR ( `listorder` >= 85 AND `createtime` >= '2025-06-30 15:01:57' AND id > 117 ) ) ) AND `recycle` = 0 AND `drafts` = 0 ORDER BY `listorder` ASC,`createtime` ASC,`id` ASC LIMIT 1 [ RunTime:0.002290s ]
- SELECT * FROM `cn_z_product` WHERE `id` = 117 LIMIT 1 [ RunTime:0.000969s ]
- SELECT * FROM `cn_z_product` WHERE ( `catid` = 89 AND `status` = 1 AND `id` != 117 AND (`listorder` < 85 OR ( `listorder` <= 85 AND `createtime` < '2025-06-30 15:01:57' ) OR ( `listorder` <= 85 AND `createtime` <= '2025-06-30 15:01:57' AND id < 117 ) ) ) AND `recycle` = 0 AND `drafts` = 0 ORDER BY `listorder` DESC,`createtime` DESC,`id` DESC LIMIT 1 [ RunTime:0.001571s ]
- SHOW FULL COLUMNS FROM `cn_web_medium_links` [ RunTime:0.001192s ]
- SELECT * FROM `cn_web_medium_links` WHERE `status` = 1 ORDER BY `listorder` DESC [ RunTime:0.001057s ]
- SELECT `cms_column`.`id`,`cms_column`.`type`,`cms_column`.`parentid`,`cms_column`.`modelid`,`cms_column`.`arrparentid`,`cms_column`.`arrchildid`,`cms_column`.`name`,`cms_column`.`catdir`,`cms_column`.`url`,`cms_column`.`items`,`cms_column`.`list_template_html`,`cms_column`.`show_template_html`,`cms_column`.`auditing`,`cms_column`.`seo_title`,`cms_column`.`seo_keywords`,`cms_column`.`seo_description`,`cms_column`.`sitemap`,`cms_column`.`target`,`cms_column`.`isnav`,`cms_column`.`status`,`cms_column`.`isurl`,`cms_column`.`ispush`,`cms_column`.`listorder`,`cms_column`.`createtime`,`cms_column`.`updatetime`,`cms_column`.`is_delete`,`cms_column`.`slide`,`cms_column`.`is_slide`,`customs`.`field` AS `customs__field`,`customs`.`catid` AS `customs__catid`,`customs`.`content` AS `customs__content` FROM `cn_cms_column` `cms_column` INNER JOIN `cn_cms_column_customs` `customs` ON `cms_column`.`id`=`customs`.`catid` WHERE `parentid` = 7 AND `status` = 1 AND ( FIND_IN_SET(2, isnav) ) ORDER BY `listorder` DESC,`createtime` ASC,`id` ASC [ RunTime:0.001403s ]